2025, 第45卷, 第7期 刊出日期:2025-07-20

  • 全选
    |
    新质生产力专栏(二)
  • 雷霆 , 刘婵 , 师亚丽 , 席旺春 , 王勇
    摘要 () PDF全文 () HTML ()

    传统化工产业具有高能耗、高排放的特点,在“双碳”转型背景下,化工产业的绿色转型成为行业增长和新发展的重要方向。我国新能源行业发展迅速,已具备良好的基础和巨大的发展潜力,通过梳理分析当前传统化工与新能源产业的主要协同发展路径和领先企业的举措,认为未来传统化工与新能源产业具备大规模协同发展的潜力。化工行业作为国家实现碳达峰的重点工业领域,企业应积极和有序探索自身业务与新能源的协同发展方向,为实现高质量和可持续增长提供有力支撑。

  • 王宏岗 , 许萍
    摘要 () PDF全文 () HTML ()

    在“双碳”目标与全球能源转型背景下,传统能源化工行业面临碳排放约束强化、能源结构变革等挑战。能源化工央企作为国家战略科技力量的核心载体,亟需通过科技创新构建低碳化、高端化、智能化的“第二曲线”。结合2025年“两会”提出的“新质生产力”战略,系统分析科技创新路径与实践案例。研究发现,低碳技术的突破重构了能源供给体系,高端材料的国产化打破了技术瓶颈,数智化的赋能重塑了生产范式,政策支持与生态协同为转型提供了保障。未来需持续强化技术攻关、深化数智融合、完善政策机制,实现从规模扩张向价值创造的跨越。

  • 技术进展
  • 何春 , 许梦莹 , 李炼 , 王玉洁 , 王文豪 , 张甜
    摘要 () PDF全文 () HTML ()

    综述了利用自产乙醇梭菌(Clostridium autoethanogenum)进行合成气发酵生产生物燃料和化学品的最新进展。自产乙醇梭菌是一种严格厌氧的革兰氏阳性菌通过Wood-Ljungdahl途径进行代谢,主要生成乙醇和乙酸。重点介绍了合成气发酵工艺的多方面优化,包括培养基组分优化、工艺参数调整、微生物光电催化系统构建、微生物共培养系统等方面,这些技术进一步推动了该领域的发展。最后提出了当前研究存在的不足,并对未来的研究方向做出了展望,旨在为微生物合成气发酵在生物燃料和化学品生产领域提供参考。

  • 王永金 , 廖俊杰 , 常丽萍 , 鲍卫仁 , 马静红
    摘要 () PDF全文 () HTML ()

    基于工业应用或示范的高炉煤气脱硫工艺进行了技术归纳总结,从工艺原理、COS水解转化、H2S吸收/吸附脱除技术等方面进行了分析,以期为“双碳”目标背景下高炉煤气高价值利用和超低排放提供参考和借鉴。结果表明,脱硫工艺可有效降低高炉煤气中的硫含量,达到超低排放的要求。结合具体工艺需求,提高硫的脱除效率和降低成本是以后的发展方向。

  • 孙瑛浩 , 潘越 , 廖英 , 冯翔 , 刘熠斌 , 赵辉 , 陈小博 , 闫昊 , 杨朝合
    摘要 () PDF全文 () HTML ()

    综述了近年来乙二醇还原胺化生产乙醇胺、乙二胺、哌嗪和吗啉的研究进展,重点分析了金属位点与酸性位点对C—H键活化和C—N键生成的协同催化作用。未来该领域仍须在金属与酸位点如何协同催化乙二醇胺化的方面进一步研究,为未来乙二醇催化合成高附加值胺的低碳绿色工艺开发提供思路。

  • 陈玲霞 , 周杰 , 石祥辉 , 王璐 , 朱蓓蓓 , 管国峰
    摘要 () PDF全文 () HTML ()

    综述了g-C3N5的合成方法,包括模板法和热缩聚法,并重点探讨了通过元素掺杂、形貌调控和异质结构筑等策略对g-C3N5进行改性的方法,同时指出目前研究存在的主要问题,并对未来的发展方向进行了展望。

  • 刘晓杰 , 刘峻 , 周祖旭 , 韩文杰 , 王光春 , 李伟
    摘要 () PDF全文 () HTML ()

    本文综述了新能源制绿氢技术的研究进展,重点分析了光催化制氢、光电催化制氢、生物质制氢及新能源电解水制氢等关键技术的原理、研究进展、面临的挑战及未来发展趋势。光催化制氢和光电催化制氢均处于实验室阶段,实现大规模商业化应用需在催化剂材料研发、技术优化等方面进一步突破。生物质制氢技术目前主要处于小规模试验与中试阶段,未来需着重于工艺流程的改进及副产物的高效处理等方面。新能源电解水制氢已实现了规模化应用,但仍需解决波动的新能源与电解槽设备的匹配问题并进一步降低制氢成本。

  • 袁渊 , 姜岩 , 夏斌 , 王玮璐 , 张贤明
    摘要 () PDF全文 () HTML ()

    综述了SCCPs污染现状和SCCPs转化降解技术发展进展,并指出了SCCPs污染分布特征以及SCCPs修复技术的发展新方向。重点阐述了SCCPs在不同环境介质如大气、水体、土壤、沉积物、生物体中赋存分布和迁移路径,提出了SCCPs环境循环规律。以期更加全面地了解SCCPs的环境归趋,为深入开展SCCPs的污染控制提供科学依据。

  • 吴志军 , 刘岳 , 乔慧 , 冯永顺 , 潘炘 , 庄晓伟
    摘要 () PDF全文 () HTML ()

    总结了生物质转化为2,5-羟甲基糠醛(HMF)的研究成果。重点讨论了木本和草本生物质的转化机制、催化剂选择、预处理方法和反应条件的优化。研究表明,通过有效的预处理和催化转化,可以提高HMF产率。最后提出了未来研究方向,包括提升转化效率、降低成本和开发可持续的生物质转化技术,以促进HMF的商业化生产。

  • 许冰洁 , 张杰
    摘要 () PDF全文 () HTML ()

    综述了MoS2的结构和性能,介绍了MoS2复合材料的合成方法,包括剥离法、自组装、水热法和化学气相沉积法。探讨了MoS2复合材料在电化学传感器应用方面的最新进展,包括在小分子和生物大分子中的应用,并展望了MoS2复合材料目前研究的不足和发展方向。

  • 越巍 , 王祎璇 , 冯亮 , 宋丹 , 沈向琼 , 郝功涛
    摘要 () PDF全文 () HTML ()

    围绕光电催化制氢技术展开论述。介绍了光电催化制氢技术的研究现状;对于光电催化制氢的原理和效率测定进行了论述以及概括了光电催化剂的改性策略,包括形貌调控、元素掺杂、异质结构造;对光电催化制氢技术研究给出结论及建议,旨在为未来光电催化制氢的长期发展和早日实现工业化提供可能。

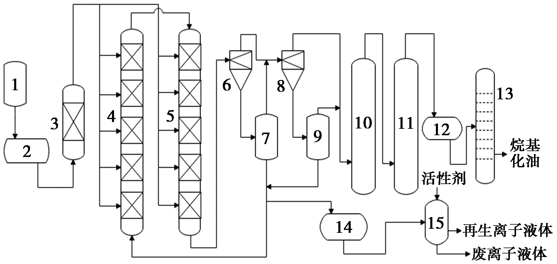
  • 郝清泉 , 隋立华 , 刘静如 , 张树才
    摘要 () PDF全文 () HTML ()

    围绕废弃烷基化离子液体催化剂的处置技术开展综述,介绍了复合离子液体烷基化技术的工艺概况,剖析了烷基化废离子液体催化剂的性质及失活原因,概述了当前废离子液体的处置技术,最后展望了烷基化废离子液体处置技术的未来发展趋势。

  • 徐国峰 , 郭雷 , 吴桐 , 范磊
    摘要 () PDF全文 () HTML ()

    全面概述了近年来国内外在高分散镍基催化剂合成领域的最新研究成果,深入探讨了其合成策略、表征技术及在工业催化应用中的潜力与成效。基于现有进展,对未来研究方向进行了前瞻性展望,旨在为领域内的持续创新与发展提供指导。

  • 范磊 , 王江涛 , 曹忠波
    摘要 () PDF全文 () HTML ()

    加氢站作为氢能产业链的核心基础设施,其气体充装技术的创新与突破对推动氢燃料电池汽车商业化应用具有决定性作用。从技术发展现状与未来趋势2个维度,系统梳理了加氢站气体充装领域的最新研究进展,包括氢气压缩与冷却、储氢技术、加注设备与控制系统的关键技术。且基于当前技术瓶颈,提出了多目标优化策略,并对站内制氢、氢储技术等前沿技术发展方向进行了展望。

  • 科研与开发
  • 谢景雪 , 冯咪 , 王世杰 , 尚志超 , 徐菲
    摘要 () PDF全文 () HTML ()

    9,9-双[4-(2-羟基乙氧基)苯基]芴(BPEF)是一种典型的双酚化合物,是制备聚酯等高分子材料的重要原料之一。利用磺酸基功能化离子液体(SILs),与3-巯基丙酸协同催化,实现了9-芴酮和苯氧乙醇高效合成BPEF。SILs的酸度是影响其催化活性的关键因素,分子尺寸则是次要因素。以1-甲基-3-(3-磺酸基丙基)咪唑三氟甲磺酸盐([MimN(CH2)3SO3H][CF3SO3])为主催化剂,3-巯基丙酸为助催化剂,在最佳反应条件下,BPEF的产率最高为86%,高于传统硫酸/3-巯基丙酸催化体系的72%。核磁表明SILs阴阳离子氢键作用活化底物及助催化剂,是合成BPEF的关键。

  • 周广远 , 赵安琪
    摘要 () PDF全文 () HTML ()

    以氮掺杂碳纳米管为载体,制备锰、铁掺杂的Co3O4/NCNTs双功能催化剂,并研究其在可逆氧反应中的催化性能。结果表明,锰掺杂比铁掺杂和未掺杂的催化剂具有更高的氧还原反应(ORR)、氧析出反应(OER)双功能电催化活性,掺杂一定量的锰元素后形成了Mn2+和Mn3+,提升了催化剂在可逆氧反应中的催化活性。

  • 陈晓娇 , 曹福春 , 徐月圆 , 杨雪纯 , 马雪 , 郭宇轩 , 丁成立
    摘要 () PDF全文 () HTML ()

    以工业固废物煤矸石为原料,棉短绒纤维素气凝胶(CLCA)为模板剂,通过对合成条件进行调控,利用水热晶化法合成了煤矸石基多级孔碳沸石分子筛ZSM-5/C复合材料。通过XRD、SEM、FT-IR和BET等表征手段对所制备样品的晶体结构、形状形貌、比表面积等进行测试分析,并对活性翠蓝(M-G)溶液吸附过程进行吸附动力学和吸附等温线的性能进行分析。结果表明,合成的沸石分子筛与商品沸石分子筛具有较高的一致性。当晶化时间为16 h、晶化温度为180℃、纤维素气凝胶添加量为0.6 g、碳化温度550℃、碳化时间2 h时,制备的多级孔碳分子筛ZSM-5/C复合材料对活性翠蓝M-G的吸附性能远优于商品沸石分子筛。除此之外,多级孔分子筛吸附活性翠蓝M-G过程符合准二级动力学方程、Langmuir等温吸附模型,且该过程是自发进行的,活性翠蓝M-G去除率超过98%,为煤矸石基沸石分子筛绿色制备和用于去除水中有机污染物提供了思路。

  • 卫怡琳 , 孟想 , 孟维源 , 曾志勇 , 詹昊
    现代化工. 2025, 45(7): 103-111. https://doi.org/10.16606/j.cnki.issn0253-4320.2025.07.018
    摘要 () PDF全文 () HTML ()

    以青霉素菌渣(PMW)和土霉素菌渣(XMW)为研究对象,借助于工业分析、元素分析、X射线光电子能谱(XPS)、CO2及Cr(Ⅵ)吸附等表征手段,对比探究了不同改性水热策略下菌渣固相产物中碳氮组成与结构的迁移演化特征,以此明晰实现菌渣衍生水热炭碳氮组分赋存的强化策略与规律。结果表明,水热温度影响水解与碳化两类反应间的竞争,改变水热过程的碳氮组成及产率,促使蛋白质、多糖成分发生分解。改性水热策略使XMW表面结合能较低的C—H/C—O转化为高能态的—C—C和—C=C,氮元素转化为杂环氮(N-5和N-6)形式,显著增强了固相产物中碳氮赋存的相关指标(含量、保留率及产率)。酸淋洗耦合添加剂的改性效果最显著,产品(HCHCl-0.6A-240)中碳、氮含量高达68.66%和5.62%,碳、氮保留率提升了13.1%和24.36%。本研究结论可为菌渣高值资源化利用提供理论依据与参考。

  • 杨虎 , 杨思原 , 罗梦恒 , 吴晨旭 , 匡步肖 , 包申旭
    现代化工. 2025, 45(7): 112-118. https://doi.org/10.16606/j.cnki.issn0253-4320.2025.07.019
    摘要 () PDF全文 () HTML ()

    将离子液体通过化学接枝法负载在树脂上,制备了一种能从湿法磷酸中高效选择性吸附磷的负载型离子液体,并采用FT-IR、SEM-EDS和XPS对其进行表征分析。在制备温度为95℃、时间为16 h、液固比(mL∶g)为40∶1、氨基乙酸溶液浓度为2.66 mmol/g的条件下,制备的材料对磷的平衡吸附量达到333.1 mg/g。在选择性吸附方面,对磷的吸附量远高于杂质离子(铁、铝和镁),说明材料对磷与杂质离子有较好的分离性能。尤其是磷与镁的分离系数达到636.83。这表明此材料能够实现复杂磷酸溶液中磷与杂质离子的选择性分离,特别是在含镁量高的磷酸溶液中提纯效果显著。还通过表征分析推断该材料对磷酸吸附机理主要是络合反应与阴离子交换的协同作用。

  • 刘一楠 , 张婧 , 陈晓飞 , 陈平 , 孙啸林 , 慕朝 , 马磊
    现代化工. 2025, 45(7): 119-125. https://doi.org/10.16606/j.cnki.issn0253-4320.2025.07.020
    摘要 () PDF全文 () HTML ()

    本研究采用紫外-过碳酸钠(UV-SPC)氧化反应体系处理间甲酚废水,并借助人工智能方法进行工艺优化,利用响应面法(RSM)进行实验设计,考察溶液初始pH、反应时间、间甲酚初始浓度、SPC投加量、催化剂用量和反应温度等因素对TOC去除率的影响。基于RSM实验结果,分别使用RSM模型和人工神经网络(ANN)模型进行优化,并进行了对比分析,考察2个模型差异,结果显示,ANN模型准确度比RSM模型高50%以上。在ANN模型模拟优化所得最佳反应条件下,实验中TOC去除率为91.48%,明显高于以RSM模型模拟优化所得的最优结果,验证了ANN模型法优异的学习能力和泛化能力。

  • 李欣宇 , 许凌子 , 王帅 , 戴咏川 , 丁巍
    现代化工. 2025, 45(7): 126-131. https://doi.org/10.16606/j.cnki.issn0253-4320.2025.07.021
    摘要 () PDF全文 () HTML ()

    以纳米自组装法制备的大孔氧化铝为载体,铜为助剂,Mo、Ni为活性中心,分别选用70%柠檬酸(CA)、70%苹果酸(DL)以及70%酒石酸(TA)3种不同种类的络合剂和不同用量的Cu(NO3)2配制络合浸渍液,制备了2个系列催化剂。实验结果表明,Cu(NO3)2在浸渍液中的溶解度比较大。对制备的催化剂进行BET、XRD、H2-TPR和NH3-TPD等表征分析,结果表明,Mo∶Ni∶Cu的质量比为6∶1∶4、加入的络合剂为70%柠檬酸时,所制备的催化剂性能最好;所制备的催化剂均存在双峰孔结构,所含的酸以弱酸和中强酸为主;载体比表面积增大,催化剂酸性中心量增大,催化剂的活性提高。

  • 孙兴燊 , 王报国 , 宋湛谦 , 刘俊劭 , 胡家朋 , 刘鹤
    现代化工. 2025, 45(7): 132-136. https://doi.org/10.16606/j.cnki.issn0253-4320.2025.07.022
    摘要 () PDF全文 () HTML ()

    高比容量硅碳复合材料在充电和放电过程中,Si的体积膨胀问题易引起电极材料脱落和粉碎,导致电池循环性能变差和寿命减短,使用新型的硅碳负极粘结剂能提升电池循环性能。通过聚乙烯亚胺(PEI)的胺基和戊二醛(GA)的醛基反应生成亚胺键(—C=N—),制备具有三维(3D)网状结构的水溶性粘结剂[PEI-c-GA(0.1%)],用于硅碳负极的性能研究。实验结果表明,采用PEI-c-GA(0.1%)作为粘结剂时,Si/C@PEI-c-GA(0.1%)电极的平均剥离力为2.82 N,优于Si/C@PVDF电极(1.43 N)和Si/C@CMC电极(2.69 N)。在0.5 C条件下循环130圈,Si/C@PEI-c-GA(0.1%)电极的充电比容量为517.2 mAh/g,高于Si/C@PVDF电极的387.3 mAh/g和Si/C@CMC电极的425.0 mAh/g,表明PEI-c-GA(0.1%)能显著提高硅碳电极的电化学性能。

  • 马花花 , 王建发 , 杨梁锋 , 苏暐光
    现代化工. 2025, 45(7): 137-143. https://doi.org/10.16606/j.cnki.issn0253-4320.2025.07.023
    摘要 () PDF全文 () HTML ()

    通过先水热后浸渍制备了NaCl修饰Cu-Ag/SiO2双金属催化剂并将其应用于丙烯氧气环氧化反应的研究,重点探究了Cu/Ag摩尔比、NaCl含量对Cu-Ag/SiO2催化剂上丙烯转化率和环氧丙烷选择性的影响。结果显示,Cu0和Ag0物种不会形成CuAg合金。当Cu/Ag摩尔比为9、NaCl/Cu摩尔比为0.7时,Cu90-Ag10/SiO2-NaCl(0.7)双金属催化剂的丙烯环氧化活性和环氧丙烷的时空产率达到了最高,相应的丙烯转化率和环氧丙烷选择性分别为1.85%和21%。Ag0提高了丙烯的转化率,Cl-则改善了环氧丙烷选择性。Ag0和NaCl协同促进了Cu0的分散和还原,Cl-还提高了Cu0的电子密度和Ag0的分散度,有助于亲电性氧物种的形成,Ag0和Cl-两者协同促进了丙烯环氧化反应的进行。Cu0物种是环氧丙烷形成的关键,可能是环氧丙烷生成的活性位点。

  • 郭栋 , 童燕兵 , 柯明
    现代化工. 2025, 45(7): 144-150. https://doi.org/10.16606/j.cnki.issn0253-4320.2025.07.024
    摘要 () PDF全文 () HTML ()

    采用水热晶化法,通过调变投料配比,制备出了具有相同晶貌且含有介孔结构的不同硅铝比的ZSM-5分子筛,采用X射线衍射(XRD)、X射线荧光光谱(XRF)、扫描电镜(SEM)、N2物理吸附-脱附、氨气程序升温脱附(NH3-TPD)等手段对其进行表征,在连续固定床微反装置上进行了丁烯催化裂解反应性能评价。研究结果表明,随着ZSM-5分子筛硅铝比的增加,晶粒尺寸逐渐由10 μm缩小至2 μm,硅铝比由78增加至462,酸量由0.925 mmol/g逐渐降低至0.035 3 mmol/g。随着硅铝比的增加,丁烯转化率逐渐降低,丙烯选择性逐渐增加,重组分选择性逐渐降低。较强的催化剂酸性会导致过多副反应的发生,降低目标产物的选择性和收率,硅铝比为263的ZSM-5分子筛在丁烯裂解反应中具有较高的丙烯选择性和催化稳定性,丁烯转化率为74%左右,丙烯选择性为48%,丙烯收率为35.5%。

  • 郭旗 , 宋飞 , 胡广宇 , 许锦铧 , 李翠芹
    现代化工. 2025, 45(7): 151-159. https://doi.org/10.16606/j.cnki.issn0253-4320.2025.07.025
    摘要 () PDF全文 () HTML ()

    正极材料/电解液间相界面CEI膜会影响锂离子电池的高温性能。含LiPF6的商业电解液在高温下的热稳定性差,形成的CEI膜不够稳定,易导致电池失效。在含有LiPF6和基础溶剂的电解液中加入锂盐添加剂和成膜添加剂,配制成高温电解液,用于LiFePO4|Li半电池中,研究了添加剂对电池电化学性能的影响。结果表明,在50℃、0.1 C倍率下电池的初始库仑效率为87.0%,在2.3~4.3 V循环200次后,电池的容量保持率为85.6%,10 C倍率下其放电比容量为137.9 mAh/g。SEM和TEM分析表明,高温电解液在电极/电解液界面形成了一层均匀、致密的CEI膜,可保护正极和阻止电解液分解。

  • 孙烨琳 , 何义 , 李杰 , 张维冰 , 张磊
    现代化工. 2025, 45(7): 160-166. https://doi.org/10.16606/j.cnki.issn0253-4320.2025.07.026
    摘要 () PDF全文 () HTML ()

    开发了一种在铽基金属有机框架材料(Tb-MOF)中封装过氧化氢酶(CAT)制备固定化酶材料(CAT@Tb-MOF)的方法,制备的固定化酶材料负载量高达302.3 mg/g。采用紫外-可见分光光度法和电子顺磁共振波谱法(EPR)对封装后的过氧化氢酶活性加以评价,结果发现其酶活保留率达90%以上,且具有良好的环境适应性和重复使用性。MOFs材料在生长过程中直接将酶包覆在其中,具有条件温和以及操作便捷的特点。在固定化过程中酶结构保持稳定,因此可以良好地保持酶活性,同时MOFs材料提供的微环境也保证了酶的环境适应性。在80℃下剩余酶活为92.6%;经过10次循环使用后,固定化酶活性仍能保持在90%;经过50 d贮藏,固定化酶活性仍保持在50%左右。该方法所制备的固定化酶材料具有良好的稳定性,在工业应用领域具有广阔的应用潜力。

  • 王超 , 章宣华 , 廖梦垠
    现代化工. 2025, 45(7): 167-173. https://doi.org/10.16606/j.cnki.issn0253-4320.2025.07.027
    摘要 () PDF全文 () HTML ()

    利用直接还原法和化学置换法合成了Pd/Co(OH)2-Ni(OH)2/C(PdCoNi/C)催化剂,并在保护气体Ar下经过不同温度(200、400℃和600℃)的煅烧,成功地合成了PdCoNi/C-X合金催化剂。在电催化乙醇氧化反应(EOR)中对合成的催化剂进行活性测试,结果表明,PdCoNi/C催化剂的EOR质量活性为2.86 A/mg,为商用Pd/C催化剂的8.9倍,显著高于所合成的其他催化剂。Co(OH)2和Ni(OH)2的加入改变了Pd的结合能,电子协同作用提高了PdCoNi/C的催化性能,并提高了其抗CO中毒能力。经过4 000 s计时电流法测试,其对乙醇氧化反应的催化性能保持在85%,是一种高效稳定的乙醇氧化催化剂。

  • 王冰 , 李纪元 , 范芷萱 , 赵洧萱 , 李昂 , 宋涛
    现代化工. 2025, 45(7): 174-179. https://doi.org/10.16606/j.cnki.issn0253-4320.2025.07.028
    摘要 () PDF全文 () HTML ()

    为增强含油废水中的化学需氧量(COD)和石油类污染物的去除效果,利用表面改性磁种Fe3O4增强絮凝处理技术。采用扫描电子显微镜(SEM)、X射线衍射(XRD)、比表面积分析等技术,详细表征了改性磁种的形貌与结构。结果显示,改性磁种相比普通磁种具有更小的孔径和更大的孔容,有利于污染物吸附。通过单因素实验确定最佳工况条件为:改性磁种用量3 g/L、絮凝剂聚合氯化铝250 mg/L、助凝剂聚丙烯酰胺2 mg/L、沉降时间6 min、pH为7、温度25℃。在此条件下,COD和石油去除率分别达到75.6%和93.8%。此外,研究了磁种的再生性能,表明改性磁种经过多次再生后仍能满足回注水标准。本研究不仅提升了磁絮凝的吸附性能,而且为含油废水的磁絮凝处理提供了宝贵的理论参考。

  • 庞青 , 刘博宇 , 王腾飞 , 望红玉
    现代化工. 2025, 45(7): 180-186. https://doi.org/10.16606/j.cnki.issn0253-4320.2025.07.029
    摘要 () PDF全文 () HTML ()

    为探究高熵非晶态电极材料的电化学性能,通过电化学沉积法在泡沫镍上沉积非晶态高熵电极材料并进行电化学测试。结果表明,随着沉积元素种类的增多,其面积比电容逐渐增大,但是循环性能以及电压窗口逐步下降。其中沉积元素为NiCoFeCrAl时的样品综合电化学性能最好。当电流密度为2 mA/cm2时,比电容为3 108.47 mF/cm2。经过1 000圈循环充放电后,该电极材料的容量保持率为51.42%。以NiCoFeCrAl/NF为正极,活性炭为负极匹配组装的非对称超级电容器,当功率密度为750 W/kg时,能量密度为19.53 W·h/kg。

  • 赵雨晨 , 朱紫雯 , 艾买提江·萨伍提 , 焦雪莹 , 排孜丽娅·库尔班 , 米热班·麦麦提
    现代化工. 2025, 45(7): 187-193. https://doi.org/10.16606/j.cnki.issn0253-4320.2025.07.030
    摘要 () PDF全文 () HTML ()

    以微晶纤维素(MCC)、聚乙烯醇(PVA)和丙烯酸(AA)为原料,不加任何交联剂和引发剂,经紫外光引发制备了具有缓释肥料功能的MCC-g-PAA/PVA/urea高吸水性树脂。采用SEM、FT-IR、XRD和TG等手段对其结构进行表征,并探讨了光照时间、物料比以及单体中和度对该树脂吸水性能的影响。结果表明,当MCC质量占AA质量的5%、PVA质量占AA质量的2%,且AA的中和度为55%时,所得MCC-g-PAA/PVA/urea在蒸馏水和0.9% NaCl溶液中的溶胀率分别为970 g/g和961 g/g。此外,在土壤保水率测试中,该树脂保持土壤湿润超过10 d;26 d后尿素缓释率约为90%;60 d后自然降解率达41%。最后,生长模拟实验验证了该树脂对植物生长具有积极影响。

  • 杨正刚
    现代化工. 2025, 45(7): 194-198. https://doi.org/10.16606/j.cnki.issn0253-4320.2025.07.031
    摘要 () PDF全文 () HTML ()

    为了研究不同规模下自制铂基贵金属催化剂Pt-2连续化合成对苯二胺类防老剂的工艺条件,选取具有代表性的N-(1,3-二甲基丁基)-N'-苯基对苯二胺(6PPD)为目标产物进行系统研究。在实验室级(催化剂装填量0.1 L)与模试级(催化剂装填量10 L)固定床反应器中,优化了体积空速、反应温度、反应压力和酮胺摩尔比4个反应条件对最终产物质量的影响,考察了催化剂Pt-2在试验较优条件下的稳定性。在较优的反应条件下,采用自制Pt-2催化剂,4-氨基二苯胺(RT培司)转化率≥99.5%,6PPD选择性≥98.5%,连续运转1 000 h后,催化剂的活性未出现明显下降,且产品技术指标明显优于国内外同类技术。

  • 张梦娇 , 杨凯翔 , 郭超 , 刘炳成
    现代化工. 2025, 45(7): 199-206. https://doi.org/10.16606/j.cnki.issn0253-4320.2025.07.032
    摘要 () PDF全文 () HTML ()

    分别采用KMnO4和(NH4)2S2O8作为氧化剂,以提升$\mathrm{NO}_{2}^{-}$的氧化效率。重点考察了2种氧化剂对$\mathrm{NO}_{2}^{-}$氧化的影响规律及其在氨法脱硝中的应用。结果表明,与只含氨水相比,KMnO4加入后脱硝率可由60.13%提高至70.11%,$\mathrm{NO}_{3}^{-}$质量浓度由10.58 mg/L升至28.46 mg/L。(NH4)2S2O8可使脱硝率升高至77.18%,$\mathrm{NO}_{3}^{-}$质量浓度升至61.52 mg/L,其氧化效果更为明显。基于响应曲面法(RSM)建立的数学模型表明,氨水的浓度、(NH4)2S2O8浓度和温度均对脱硝效率具有显著影响,最佳工艺参数为氨水浓度0.734 mol/L、(NH4)2S2O8浓度0.014 7 mol/L、温度67.18℃,在该条件下脱硝效率预测值为92.394%,实验值为91.622%,与预测值误差仅为0.772%。

  • 余仁杰 , 姚志龙
    现代化工. 2025, 45(7): 207-211. https://doi.org/10.16606/j.cnki.issn0253-4320.2025.07.033
    摘要 () PDF全文 () HTML ()

    以负载型固相催化剂催化油酸甲酯与乙烯复分解反应合成1-癸烯,考察了合成工艺条件和原料组成对反应的影响。结果表明,原料中硬脂酸甲酯对油酸甲酯与乙烯复分解反应没有影响。油酸甲酯与乙烯复分解反应适宜工艺条件为:反应温度40~50℃、反应压力0.4~0.5 MPa、催化剂与油酸甲酯质量比1∶1~2、反应时间为30~40 min;油酸甲酯的单程转化率可以达到80%,对alpha烯烃和烯酸甲酯的选择性可达100%。

  • 刘旭 , 李玉善 , 杨兴玉 , 张小丽 , 宋群
    现代化工. 2025, 45(7): 212-217. https://doi.org/10.16606/j.cnki.issn0253-4320.2025.07.034
    摘要 () PDF全文 () HTML ()

    黑臭水体因其具有刺激性气味及黑色外观成为城市和农村环境治理的主要对象。利用臭氧微纳米气泡发生装置对黑臭水体治理进行研究。通过表征分析发现黑臭水体中硫酸根离子、COD和NH3-N浓度以及硬度较高且革兰氏阴性菌为优势菌群,水中溶解性有机污染物主要由微生物或藻类代谢产物所贡献。在此基础上,采用BBD响应面方法(RSM)进行优化拟合,结果显示,臭氧微纳米气泡技术治理黑臭污水的最优工艺参数为臭氧浓度78 mg/L、pH值9.8、反应时间5.2 h。同时,研究表明有机污染物的去除率与pH值成正比;共存离子的影响强弱顺序为Cl-> CO 3 2 -> SO 4 2 -> NO 3 -;随着曝气时间的增加,有机物的去除效率呈现先增加后平稳的趋势。最优工艺条件下臭氧微纳米气泡技术对黑臭水体中有机污染物的去除效率可达90.02%,显示其在去除黑臭水体中有机污染物具有良好效果和应用前景。

  • 王智娟 , 缪应纯 , 王旭东 , 胡柠檬
    现代化工. 2025, 45(7): 218-228. https://doi.org/10.16606/j.cnki.issn0253-4320.2025.07.035
    摘要 () PDF全文 () HTML ()

    光催化处理含酚废水是消除其对水体环境污染的有效手段。研究制备了一种新型的S型异质结光催化剂MIL-88B(Fe)/CdS,并将其用于2-氯苯酚的光催化降解。在优化条件下,可见光辐照2 h后,2-氯苯酚的脱除效率达到88.4%。2-氯苯酚较高的去除效率一方面源于多孔MIL-88B(Fe)材料对2-氯苯酚的吸附作用,另一方面是CdS对MIL-88B(Fe)的表面修饰提升了材料的光催化活性。这是因为二者紧密接触且具有相匹配的费米能级,从而使CdS和MIL-88B(Fe)产生能带弯曲且界面间形成了内建电场,这使得CdS和MIL-88B(Fe)界面间形成光生电子S型转移路径,从而加快了光生载流子的迁移,并促进了光生电子-空穴对的分离。MIL-88B(Fe)/CdS在较宽的pH(3~9)值范围内,均可对2-氯苯酚起到光催化降解作用。通过一系列光学和光电化学表征对MIL-88B(Fe)/CdS的光催化机制进行了分析,h+和·OH对2-氯苯酚的降解起主要作用。

  • 徐慧强 , 于洋 , 孙建华 , 杨政清 , 孙文
    现代化工. 2025, 45(7): 229-235. https://doi.org/10.16606/j.cnki.issn0253-4320.2025.07.036
    摘要 () PDF全文 () HTML ()

    通过高能球磨法制备了钛纳米鳞片材料,并利用SEM、XPS、FT-IR和TGA对材料进行测试表征。结果表明,钛由微米级的球状变为纳米级的片状,且钛表面上接枝了有机树脂,证实了钛纳米鳞片的制备。将钛纳米鳞片作为涂层填料,通过改变填料含量实现钛纳米鳞片对涂层耐酸性腐蚀性能的强化。结果表明,钛含量为1%时涂层具有最好的耐酸性、耐腐蚀性、耐介质渗透性能;与添加未改性钛的涂层相比,添加了钛纳米鳞片的涂层的低频模值为1015 Ω·cm2,比前者高出半个数量级;涂层与基材之间的结合力没有受到影响,涂层的耐温性、耐磨性、耐盐雾性能也得到了提高。

  • 马欣 , 李海涛 , 罗红文 , 郝佳婷 , 贾芳俊
    现代化工. 2025, 45(7): 236-242. https://doi.org/10.16606/j.cnki.issn0253-4320.2025.07.037
    摘要 () PDF全文 () HTML ()

    针对水平井产出剖面监测需求和传统示踪剂技术的局限性,通过水热法研发了高性能多色硅基量子点示踪剂,采用TEM、XPS、TGA等表征手段对材料进行结构分析,并评价了不同油藏条件下多色硅基量子点示踪剂的性能。结果表明,多色硅基量子点示踪剂粒径范围在6~8 nm之间;TGA表征结果说明多色硅基量子点示踪剂具有较好的热稳定性,适应在高温下应用;并且在矿化度15 000 mg/L、温度80℃,pH值在弱酸至弱碱性范围内可以保持良好的荧光强度和分散稳定性。

  • 工业技术
  • 魏青 , 张化福 , 张振涛 , 陶辉飞 , 王瑞祥 , 贺铭鑫
    现代化工. 2025, 45(7): 243-248. https://doi.org/10.16606/j.cnki.issn0253-4320.2025.07.038
    摘要 () PDF全文 () HTML ()

    为了研究水蒸气和解吸塔运行参数对解吸过程的影响,以国内某燃煤电厂提供的数据进行简化,基于Aspen Plus建立了解吸塔工艺模型,分析了解吸塔再生压力、富液温度、蒸气过热度、富液负荷等运行参数对解吸率、CO2产量和再生能耗等解吸特性的影响。加权优化结果表明,水蒸气质量流量为900~1 000 kg/h,解吸压力为120~140 kPa,碳负载为0.4~0.5 mol/mol,水蒸气过热度为30~50℃,水蒸气MEA质量分数为0~10%,水蒸气CO2质量分数为0~10%,此时系统性能最优。

  • 郭丽娟 , 徐晨阳 , 张忠义 , 孟嘉琦 , 杨铭杨 , 董亚超 , 刘琳琳 , 庄钰 , 都健 , 张磊
    现代化工. 2025, 45(7): 249-253. https://doi.org/10.16606/j.cnki.issn0253-4320.2025.07.039
    摘要 () PDF全文 () HTML ()

    传统玉米深加工工厂进行玉米淀粉制糖的工艺复杂,产生大量结构复杂的工业数据,且生产过程中受多种因素影响,导致产品质量波动大。为解决此问题,提出一种考虑数据不确定性构建代理模型并进行优化操作参数的方法。首先,利用实际工业生产的数据作为数据源,采用人工神经网络作为代理模型拟合输入输出数据,通过高斯考虑方差和置信区间分析数据的不确定性,最后以果糖含量最高为目标,分别采用遗传算法和粒子群优化算法对操作参数优化,结果对比表明,遗传算法优化得到的果糖含量较粒子群优化算法提高1.45%。提出的优化模型可用于辅助工业生产,从而提高产品质量。

  • 王永立 , 侯一波 , 庄恒亚 , 王磊 , 郭伟 , 王宏宾 , 黄小亮
    现代化工. 2025, 45(7): 254-259. https://doi.org/10.16606/j.cnki.issn0253-4320.2025.07.040
    摘要 () PDF全文 () HTML ()

    通过对某炼厂各装置主要热物料余热回收情况与潜在热源、热阱分布情况进行统计分析,发现低温余热有较大的利用潜力。按照“高温高用、低温低用、温度对口、梯级利用”的原则,对全厂低温余热的利用进行优化设计,并应用“智慧热岛”余热利用技术,对全厂低温热系统进行实时监控、分析和优化。优化后,预计节能量可达1.29万t/a标煤,减少二氧化碳排放1.6万t;经济效益2 200万元/a。

  • 孔维芳 , 郭海超
    现代化工. 2025, 45(7): 260-264. https://doi.org/10.16606/j.cnki.issn0253-4320.2025.07.041
    摘要 () PDF全文 () HTML ()

    对于丙酮合成MIBK一步法工艺中轻组分回收需求,提出了分子筛膜分离与精馏相结合的工艺,并建成国内首套2 300 t/a轻组分物料的分离提纯工业装置,产出符合要求的丙酮、异丙醇产品,与可循环利用的MIBK粗品。该装置的异丙醇综合收率93.1%,丙酮综合收率87.4%,MIBK粗品收率接近100%。经运行能耗测算与经济性分析,该装置投入后5 a共可产生 6 362.1万元的经济效益,共增加1 328.2万元利润。

  • 张天娇 , 刘欣 , 刘永铎 , 张青 , 周军 , 邹婷
    现代化工. 2025, 45(7): 265-270. https://doi.org/10.16606/j.cnki.issn0253-4320.2025.07.042
    摘要 () PDF全文 () HTML ()

    为解决现有的乙烷回收工艺系统中深度制冷的外部冷源供应问题,同时有效地回收利用LNG气化工程中释放的高品位冷能,设计了一种耦合LNG冷能进行乙烷回收的新工艺系统(以下简称新工艺)。利用Aspen HYSYS软件进行新工艺建模,选取3组不同气质的富气,采用单因素敏感性分析法筛选出新工艺系统的最佳LNG流量分别为8.05×104、8.53×104、9.15×104 kg/h,脱甲烷塔压力的最优值区间为2.2~2.3 MPa。并对乙烷回收新工艺和RSV工艺进行对比分析,结果表明,保证乙烷收率不低于95%,乙烷回收新工艺比常规RSV工艺的总压缩功率及综合能耗大幅度下降,且气质越富,新工艺的节能效果越明显。

  • 分析测试
  • 郭柯馨 , 芦小刚 , 杜林楠 , 李宇涵 , 罗梦雪 , 高梅婷 , 于宏伟 , 徐元媛
    现代化工. 2025, 45(7): 271-277. https://doi.org/10.16606/j.cnki.issn0253-4320.2025.07.043
    摘要 () PDF全文 () HTML ()

    采用中红外光谱(MIR)研究钨酸钠分子结构。钨酸钠分子红外吸收模式主要包括W—O键不对称伸缩振动模式和W—O键对称伸缩振动模式等。采用变温中红外光谱(TD-MIR)研究温度对钨酸钠分子结构的影响。在303~573 K的温度范围内,随着测定温度的升高,钨酸钠分子νas-W-Oνs-W-O对应的红外吸收频率和强度均发生明显的改变。以νas-W-Oνs-W-O为研究对象,采用二维中红外光谱(2D-MIR)研究钨酸钠分子的热变性。研究发现,在303~373、383~463、473~573 K 3个温度区间,钨酸钠分子主要官能团(νas-W-Oνs-W-O)对热敏感程度及变化快慢顺序都存在较大差异,并进一步进行了热变性机理的研究。本研究拓展了中红外光谱技术(MIR、TD-MIR和2D-MIR)在重要的稀有金属盐(钨酸钠)分子结构及热变性领域的研究范围。

  • 陈淼 , 刘袁君 , 尹洁 , 代天润 , 赵宇
    现代化工. 2025, 45(7): 278-283. https://doi.org/10.16606/j.cnki.issn0253-4320.2025.07.044
    摘要 () PDF全文 () HTML ()

    苯二甲醛和4-甲基-2-肼基苯并噻唑利用脱水缩合反应合成一种能够检测Ag+/Hg2+的双席夫碱类荧光探针4-2-SD。研究结果表明,探针4-2-SD对Ag+/Hg2+具有特异性识别作用,在探针溶液(CH3OH∶H2O体积比9∶1,pH=7.4)中,加入Ag+/Hg2+可以使其荧光猝灭,在可见光485 nm处可以通过荧光减弱来检测Ag+的含量,并且在日光下可以通过不同的颜色变化来肉眼识别Ag+/Hg2+,经荧光滴定实验计算得出Ag+/Hg2+的检测限分别为2.7×10-7、1.3×10-7 mol/L。探针4-2-SD可以在实际水样中瞬时识别Ag+/Hg2+并定量检测Ag+的含量。